☆岩谷電機製作所 砲金製 カスケードポンプ 15AJT0202B 3相200V 50Hz 全閉外扇型電動型 送料無料 一部地域除

☆岩谷電機製作所 砲金製 カスケードポンプ 15AJT0202B 3相200V 50Hz 全閉外扇型電動型 送料無料 一部地域除 收藏

当前价格: 86755 日元(合 4077.49 人民币/含税价 4485.24 人民币)

一口价: 86755 (合 4077.49 人民币)

剩余时间:3827.7358557

商品原始页面

成为包月会员,竞拍更便捷

出价竞拍

一口价

预约出价

收藏商品

收藏卖家

费用估算
该卖家需加收[10%]消费税!

拍卖号:t1215575768

开始时间:01/11/2026 14:39:09

个 数:1

结束时间:01/18/2026 15:45:46

商品成色:新品

可否退货:不可

提前结束:不可

日本邮费:买家承担

自动延长:不可

最高出价:

出价次数:0

卖家账号:y06******** 收藏卖家

店铺卖家:是(公司卖家)

发货地:大阪府

店家评价:好评:10644 差评:25 拉黑卖家

卖家其他商品: 查看

  • 1、【自动延长】:如果在结束前5分钟内有人出价,为了让其他竞拍者有时间思考,结束时间可延长5分钟。
  • 2、【提前结束】:卖家觉得达到了心理价位,即使未到结束时间,也可以提前结束。
  • 3、参考翻译由网络自动提供,仅供参考,不保证翻译内容的正确性。如有不明,请咨询客服。
  • 4、本站为日拍、代拍平台,商品的品质和卖家的信誉需要您自己判断。请谨慎出价,竞价成功后订单将不能取消。
  • 5、违反中国法律、无法邮寄的商品(注:象牙是违禁品,受《濒临绝种野生动植物国际贸易公约》保护),本站不予代购。
  • 6、邮政国际包裹禁运的危险品,邮政渠道不能发送到日本境外(详情请点击), 如需发送到日本境外请自行联系渠道。
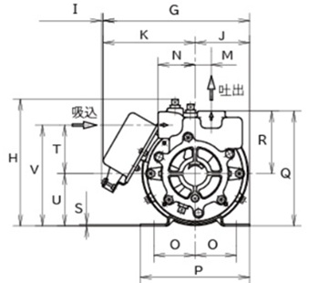
用途及び特長
●接液部はRoHS対応青銅鋳物製
●電動機は全閉外扇型
●自吸能力3m(清水・常温時)
 (※吸い上げにてご使用の場合は、フード弁が必要となります。)
●メカニカルシール材質は各種対応

末尾記号番号 B
メカニカルシール材質 セラミック×カーボン×FKM 
パッキン材質   FKM
仕様表
周波数 Hz50口径 mm15
型式名 15ajt0202
定格出力 W300定格電圧 V200
揚程範囲 m45~5流量範囲 毎分L2~17
定格消費電力 W350定格電流値 A1.3
設定電流値 A1.6製品質量 kg11
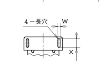
寸法表mm
A Rc1/2 B 26C 267D 40
E 100 F 145.5L 293
G 196.6H 153.6I 2.4J 72
K 124.6M 20N 60
O 50 P 135 Q 141R 70
S 2.3 T 44U 71V 115
W 7X 15


末尾記号番号 E
メカニカルシール材質 SIC×SIC×PTFE 
パッキン材質   PTFE



■ご質問以外のメッセージ(落札後のご挨拶等)は
原則お控えいただけますと幸いです。
■評価について (2023.04.10)
評価は定期的に行っておりますので、
評価に関する問い合わせはお控えください。
■納期について (2022.01.14)
納期情報は、お手数ですが
!ショッピングの同商品ページにてご確認ください。
■質問について (2021.09.18)
からの質問は受付休止中です。
お手数ですが商品に関する質問は、!ショッピングの
同商品ページからお問い合わせください。
■商品タイトルに
【送料無料 但、一部地域送料別途】と記載のある商品は
下記地域が送料無料対象となります。


※商品タイトルに【個人宅送料別途】とある場合、
個人宅への配送には別途送料が発生します。
詳細は商品情報欄や商品説明欄をご覧ください※


※商品タイトルに【送料無料】の記載がない商品は
送料無料対象外です※


・対象地域
茨城県 栃木県 群馬県 埼玉県 千葉県 東京都 神奈川県
新潟県 富山県 石川県 福井県 山梨県
長野県 岐阜県 静岡県 愛知県 三重県
滋賀県 京都府 大阪府 兵庫県 奈良県 和歌山県
鳥取県 島根県 岡山県 広島県 山口県
徳島県 香川県 愛知県 高知県

・上記以外の地域に関しては、商品ページの送料欄をご覧ください。
(送料欄に記載がない場合もございます。
その際はお手数ですがお問い合わせください)
出价者 信用 价格 时间

推荐