TA02 純正 リードバルブ ガスケット 2点 ジャイロ キャノピー TD01 GYRO X インテークパイプ GK TA01 アップ UP インマニ パッキン /gag.s

TA02 純正 リードバルブ ガスケット 2点 ジャイロ キャノピー TD01 GYRO X インテークパイプ GK TA01 アップ UP インマニ パッキン /gag.s 收藏

当前价格: 1090 日元(合 53.52 人民币)

一口价: 1100 (合 54.01 人民币)

剩余时间:577530.186066

商品原始页面

成为包月会员,竞拍更便捷

出价竞拍

一口价

预约出价

收藏商品

收藏卖家

费用估算

拍卖号:n1206590043

开始时间:11/12/2025 10:03:54

个 数:1

结束时间:11/19/2025 09:03:54

商品成色:新品

可否退货:不可

提前结束:可

日本邮费:买家承担

自动延长:可

最高出价:

出价次数:0

卖家账号:jmt******** 收藏卖家

店铺卖家:不是

发货地:愛媛県

店家评价:好评:45685 差评:42 拉黑卖家

卖家其他商品: 查看

  • 1、【自动延长】:如果在结束前5分钟内有人出价,为了让其他竞拍者有时间思考,结束时间可延长5分钟。
  • 2、【提前结束】:卖家觉得达到了心理价位,即使未到结束时间,也可以提前结束。
  • 3、参考翻译由网络自动提供,仅供参考,不保证翻译内容的正确性。如有不明,请咨询客服。
  • 4、本站为日拍、代拍平台,商品的品质和卖家的信誉需要您自己判断。请谨慎出价,竞价成功后订单将不能取消。
  • 5、违反中国法律、无法邮寄的商品(注:象牙是违禁品,受《濒临绝种野生动植物国际贸易公约》保护),本站不予代购。
  • 6、邮政国际包裹禁运的危险品,邮政渠道不能发送到日本境外(详情请点击), 如需发送到日本境外请自行联系渠道。
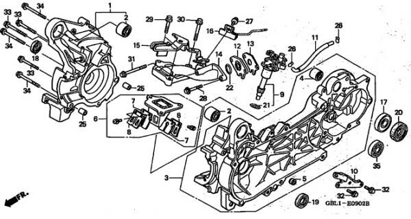
      2サイクル   ジャイロ  純正 リードバルブガスケット  (上下) セット    2点

商品内容
TA02   .   E- 8    .      8    :  リードバルブガスケット 、 (キャブ側)
TA02   .   E- 8    .      9    :  リードバルブガスケット 、 (エンジン側)


適合一例
TA02
TA01
TD01
                     (後期以外の車両への取り付けは穴を少し広げる必要のあるものもあります)














通常在庫の商品ですが店頭でも販売しておりますのでお急ぎの場合は在庫の確認をお願いします。

送料   60サイズ (梱包手数料含む)  地域別送料はこちらからhttp://unosyoukai.com/tyumon.html
  
レターパックプラス発送    送料600円                            
(
時間/日時指定不可/問い合わせ番号あり/手渡し/4kgまで

(代引き不可)

ゆうパケットBOX発送       送料300円
(時間
/日時指定不可/問い合わせ番号あり/ポスト投函/厚さ3cm/1kgまで)
(代引き不可/ゆうパケット用の箱で梱包)


ゆうパケット発送             送料250円
(時間
/日時指定不可/問い合わせ番号あり/ポスト投函/厚さ3cm/1kgまで)
(代引き不可)









純正部品一例   (図の見出し番号でご確認ください/各1個/同梱発送時の価格です/取り寄せ) 追加分は送料に加算 *


















オイルニップル / 負圧ニップル
追加用 ニップルA  M5    200円
追加用 ニップルA  M6    200円
追加用 ニップル B M6    300円
(詳細はHPでご確認下さい)










取り扱い燃料ホース(ホンダ純正補修用ホース)

内径3.0mm 長さ1m       400円  950013000140m
内径3.5mm 長さ1m       400円  950013500160m
内径3.5mm 長さ3m    1,100円  950013500360m
内径4.5mm 長さ1m       520円  950014500160m
内径4.5mm 長さ3m    1,450円  950014500360m
内径4.5mm 長さ8m    3,600円 (取り寄せ) 950014500860m
内径5.5mm 長さ1m       700円  950015500160m
内径5.5mm 長さ3m    2,000円  950015500360m
内径5.5mm 長さ8m    4,900円 (取り寄せ) 950015500860m
内径7.5mm 長さ1m       870円  950017500160m
内径7.5mm 長さ3m    2,450円  950017500360m
内径7.5mm 長さ8m    6,050円  (取り寄せ)950017500860m
内径8.0mm 長さ1m       950円  950018000160m



クリップ、チューブ B12      8.0        40円(内径12㎜)           9500202120
クリップ、チューブ B10      7.5        40円(内径10㎜)         9500202100
クリップ、チューブ C9        5.5        30円(内径9㎜)          9500250000
クリップ、チューブ B8        4.5        40円(内径8㎜)          9500202080
クリップ、チューブ B7        3.5        40円(内径7㎜)          9500202079
クリップ、チューブ B6.5      3.0        40円(内径約6㎜)          9500202650
 




を世界へ Japan Auctions to the World
を世界へ                                                      Japan Auctions to the World



出品商品以外につきましてはメールにてお問い合わせください。
uno_syoukai@ybb.ne.jp

御不明な点があればメールでお問い合わせ下さい。
自己紹介もあわせてご確認ください。
発送には2.3日お時間を頂く場合もございますのでお急ぎの場合は入札前にメールでお問い合わせください。
評価にて発送完了のメールに変えさせて頂きますのであらかじめご了承お願い致します。






送料
(発送手数料含む)
60サイズ

(離島はお問い合わせください)

ヤマト運輸  
(時間指定/午前中,14-16時,16-18時,18-20時,20-21時)

[北海道] 1750円 (北海道)
[ 東北 ]  1100円 (青森、岩手、秋田、山形、宮城、福島)
[ 関東 ]   900円 (茨城、栃木、群馬、埼玉、千葉、東京、神奈川、山梨)
[ 信越 ]   900円 (新潟、長野)
[ 北陸 ]   900円 (富山、石川、福井)
[ 中部 ]   800円 (静岡、愛知、岐阜、三重)
[ 関西 ]   700円 (滋賀、京都、大阪、兵庫、奈良、和歌山)
[ 中国 ]   700円 (鳥取、岡山、島根、広島、山口)
[ 四国 ]   700円 (香川、徳島、愛媛、高知)
[ 九州 ]   800円 (福岡、佐賀、長崎、熊本、大分、宮崎、鹿児島)
[ 沖縄 ] 1300円 (沖縄) 




ゆうパック
(時間指定/午前中,12-14時,14-16時,16-18時,18-20時,20-21時)

[北海道] 1300円 (北海道)
[ 東北 ]    900円 (青森、岩手、秋田、山形、宮城、福島)
[ 関東 ]    800円 (茨城、栃木、群馬、埼玉、千葉、東京、神奈川、山梨)
[ 信越 ]    800円 (新潟、長野)
[ 北陸 ]    800円 (富山、石川、福井)
[ 中部 ]    650円 (静岡、愛知、岐阜、三重)
[ 関西 ]    600円 (滋賀、京都、大阪、兵庫、奈良、和歌山)
[ 中国 ]    600円 (鳥取、岡山、島根、広島、山口)
[ 四国 ]    600円 (香川、徳島、愛媛、高知)
[ 九州 ]    650円 (福岡、佐賀、長崎、熊本、大分、宮崎、鹿児島)
[ 沖縄 ]  1000円 (沖縄)

 



http://unosyoukai.com/








E- 8 .  8 . ガスケット、リードバルブ                       .  5     17111gag010  .45

E- 8 .  9 . ガスケット、リードバルブガスケット        .    5         17112gag010  .44


*000390.38000007700008470009310000
*000450.440.0008900009790001076000

出价者 信用 价格 时间

推荐