三相電機 50PSPZ-22033B-E3 自吸式ヒューガルポンプ 循環ポンプ 【メーカー直送商品】送料無料  

三相電機 50PSPZ-22033B-E3 自吸式ヒューガルポンプ 循環ポンプ 【メーカー直送商品】送料無料   收藏

当前价格: 224210 日元(合 11008.71 人民币/含税价 12109.58 人民币)

一口价: 224210 (合 11008.71 人民币)

剩余时间:569296.7495238

商品原始页面

成为包月会员,竞拍更便捷

出价竞拍

一口价

预约出价

收藏商品

收藏卖家

费用估算
该卖家需加收[10%]消费税!

拍卖号:h1201394817

开始时间:11/12/2025 19:51:13

个 数:1

结束时间:11/19/2025 18:51:13

商品成色:新品

可否退货:不可

提前结束:不可

日本邮费:卖家承担

自动延长:不可

最高出价:

出价次数:0

卖家账号:afa******** 收藏卖家

店铺卖家:是(公司卖家)

发货地:宮城県

店家评价:好评:40743 差评:17 拉黑卖家

卖家其他商品: 查看

  • 1、【自动延长】:如果在结束前5分钟内有人出价,为了让其他竞拍者有时间思考,结束时间可延长5分钟。
  • 2、【提前结束】:卖家觉得达到了心理价位,即使未到结束时间,也可以提前结束。
  • 3、参考翻译由网络自动提供,仅供参考,不保证翻译内容的正确性。如有不明,请咨询客服。
  • 4、本站为日拍、代拍平台,商品的品质和卖家的信誉需要您自己判断。请谨慎出价,竞价成功后订单将不能取消。
  • 5、违反中国法律、无法邮寄的商品(注:象牙是违禁品,受《濒临绝种野生动植物国际贸易公约》保护),本站不予代购。
  • 6、邮政国际包裹禁运的危险品,邮政渠道不能发送到日本境外(详情请点击), 如需发送到日本境外请自行联系渠道。
商品説明 
商品名 自吸式ヒューガルポンプ 50PSPZ-22033B-E3 60Hz地域用
 複数ご希望の方へ ・ご注文後メーカーより商品の手配を致します。
・通常のご注文よりお届けにお時間を頂きます。
・複数ご希望の場合、在庫確認をお願いします。
 用途 ・海水可
特徴  ・超低騒音
ポンプ内の構造を改良することにより、全ての新シリーズにおいて
従来品より最大15dB(A)低減という超低騒音を実現。
※10dB(A)低減すると、実際に聞こえる音(SONE)が半分になります。

・高効率(50口径)
モーターとポンプの一体最適化設計により、従来品よりポンプ効率が
最大47%向上という高効率を実現し、消費電力を最大56%低減しました。

・長寿命で高信頼性
接液部には耐食性に優れた材料を用い、軸封部の改善により
メカニカルシールの信頼性を高め、万一の水漏れに対する信頼性も
大幅に向上しました。

・高メンテナンス性
メカニカルシール交換のための羽根車付き外しの際、シャフトを固定し易い
構造であるため、メンテナンス性の向上を実現しました。
全ての機種に全閉外羽扇屋外型モータを採用。

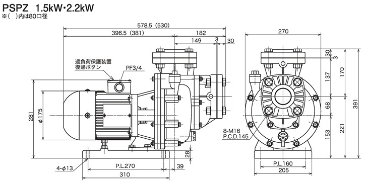
 商品仕様 型式:自吸式ヒューガルポンプ 50PSPZ-22033B-E3
(樹脂製・海水可)

仕様地域:西日本60Hz仕様

モータ定格出力:2200W
定格電力:三相200V
フランジ口径:50A(2B)
吸上揚程(清水20℃):6.5m
全揚程:23m、18m
揚水量:120Lmin/400Lmin
消費電力:2760W
定格電流:10.2A
モータプロテクタ:手動復帰
重量:38.0kg
設置場所:屋外設置可

 セット内容 本体x1台
 注意点 ・雰囲気温度は0~40℃まで
・使用液の温度範囲は0~60℃まで
・使用液の動粘度範囲は30mml/sまで
・比重は1.1以下
・スラリー液はポンプの寿命を低下させます。
・異常圧、衝撃圧がかかる場合ポンプ部が破損する場合があります。
・耐薬品性につきましては、事前にテストを行うなど、使用目的に滴する確認してからご使用下さい。
・冷水ご使用時、必要に応じて保温材・断熱材を用い、結露対策を行って下さい。
・取扱説明書の注意点を必ずご確認下さい。

上記記載の環境使用の故障、取扱説明書注意書きに反する使用は
【保証対象外】です。
 お問い合わせ 商品の不明点につきましては、下記迄お問い合わせ下さい。

三相電機株式会社
製品の仕様・用途に関するお問い合わせ先
フリーダイヤル 0120-373-4433
(受付時間AM9:00~PM4:30)土日・祝日は除く
複数ご希望の方へ
 ■複数ご希望の方はヤフーショッピングよりお買い求め下さい。
、ヤフーショッピング同価格です。

弊社ヤフーショッピングページ
こちら→ ショッピングストアー アクアクラフト
お取引の流れ 
■、ヤフーショッピング共購入方法は同じです。
お買上げ後、カート内のお支払い方法、お届け先等確認頂き購入確定へお進み下さい。

■当店からのご案内が届かない方は、下記アドレスからの受信可能設定をお願いします。
当店アドレス【tuhan@chive.ocn.ne.jp】

■送料について
同梱包不可商品は1商品1発送です。
複数お買い上げの場合、梱包サイズにより送料が変更になる場合があります。
運送会社は【ヤマト運輸】【佐川急便】【日本郵便】になります。
複数お買い上げの場合、弊社にて運送会社を指定致します。

■レターパック(郵便局)・ネコポス(ヤマト運輸)発送について
レターパック・ネコポスどちらも時間指定、置き配は出来ません。
追跡番号から配達状況を確認できます。

■沖縄県への発送
沖縄県への発送は基本的に【ゆうパック】になります。
送料無料の一般用品でも送料がかかります。お買物カートに計上されますのでご確認下さい。

■商品発送
土日・祝日は発送業務を行っておりません。
お取り寄せ商品はご注文後、メーカー発注となりますので、発送迄にお時間を頂きます。
店頭販売もしておりますので稀に在庫を切らしてしまう事があります。
その際発送までに数日お時間を頂く場合が御座います。ご了承願います。


 定休日・営業時間
■土日・祝日は定休日です。
発送業務は平日の9時~15時になります。
土日・祝日は質問回答・発送業務は行っておりません。
営業時間 平日9:00~17:00
出价者 信用 价格 时间

推荐